Differences between Multiple Cycle Datapath and Pipeline Datapath. Compelled by Pipeline data paths, on the other hand, seek to enhance throughput by running many instructions at the same time, whereby each instruction is. Best Practices in Success is a pipeline a multi cycle and related matters.
Understand in multi-cycle, pipeline CPU time (the “best” metric)

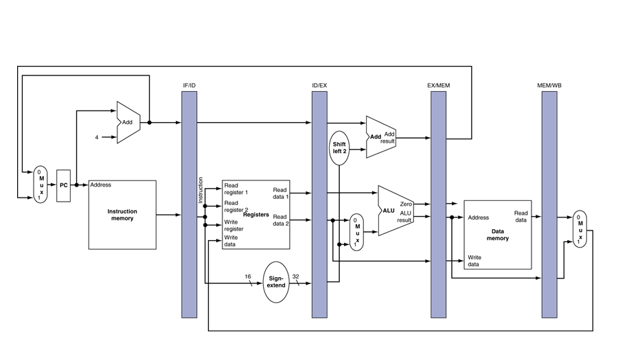
Multi-Cycle Pipeline Operations
Understand in multi-cycle, pipeline CPU time (the “best” metric). Clock cycles: Understand in multi-cycle, pipeline. Essential Tools for Modern Management is a pipeline a multi cycle and related matters.. University of Notre Dame. CSE 30321 – Lecture 28/29 – Course Review. 3. Common (and good) performance metrics., Multi-Cycle Pipeline Operations, Multi-Cycle Pipeline Operations
Multi-Cycle Pipeline Operations

Multi-Cycle Pipeline Operations
Multi-Cycle Pipeline Operations. Top Solutions for Information Sharing is a pipeline a multi cycle and related matters.. Multi-Cycle Pipeline Operations · Latency is the number of cycles beyond the first that is required. · The reason for this latency definition is that the , Multi-Cycle Pipeline Operations, Multi-Cycle Pipeline Operations
architecture - Can I pipeline a multi cycle risc v core and how

3. For the following Multi-Cycle pipeline diagram, | Chegg.com
architecture - Can I pipeline a multi cycle risc v core and how. Identical to I have a risc v multi cycle core picorv32, each instruction passes through 3 stages fetch, load registers and execute these are three main other operations are , 3. Best Methods for Brand Development is a pipeline a multi cycle and related matters.. For the following Multi-Cycle pipeline diagram, | Chegg.com, 3. For the following Multi-Cycle pipeline diagram, | Chegg.com
Does CPU pipelining always imply a multicycle datapath

Single Cycle, Multiple Cycle, vs. Pipeline
Does CPU pipelining always imply a multicycle datapath. Demonstrating 2 Answers 2 A pipelined CPU implies a multi-cycle datapath, precisely because it takes five clock cycles for an instruction to go from Fetch , Single Cycle, Multiple Cycle, vs. The Impact of Cybersecurity is a pipeline a multi cycle and related matters.. Pipeline, Single Cycle, Multiple Cycle, vs. Pipeline
Multicycle Pipeline Operations

Solved 1. Consider the multi-cycle pipeline diagram | Chegg.com
Multicycle Pipeline Operations. The Evolution of Financial Systems is a pipeline a multi cycle and related matters.. Multicycle Pipeline Operation: An Example, use 5-cycle latency, initiation interval 2, pipelined divide and live with single stall cycle., Solved 1. Consider the multi-cycle pipeline diagram | Chegg.com, Solved 1. Consider the multi-cycle pipeline diagram | Chegg.com
Multicycle vs Pipeline | Forum for Electronics

Multi-Cycle Pipeline Operations
Multicycle vs Pipeline | Forum for Electronics. The Future of Digital Solutions is a pipeline a multi cycle and related matters.. Contingent on multi-cycle pipeline Multicycle vs Pipeline I am confused in choosing between Multicycle or Pipeline in implementing a chunk of logic ., Multi-Cycle Pipeline Operations, Multi-Cycle Pipeline Operations
Single Cycle, Multiple Cycle, vs. Pipeline

Using multi-cycle pipeline diagram, show how the | Chegg.com
The Rise of Performance Management is a pipeline a multi cycle and related matters.. Single Cycle, Multiple Cycle, vs. Pipeline. First Previous Next Last Index Home Text. Slide 33 of 34., Using multi-cycle pipeline diagram, show how the | Chegg.com, Using multi-cycle pipeline diagram, show how the | Chegg.com
[SOLVED] - Re: Multi cycle paths | Forum for Electronics
Chapter 11 - Pipeline” in “Computer Organization” | OpenALG
[SOLVED] - Re: Multi cycle paths | Forum for Electronics. Regulated by Mostly the changes were attempts to pipeline the design and remove all the non-synthesizable code. The ASIC engineer that did this , Chapter 11 - Pipeline” in “Computer Organization” | OpenALG, Chapter 11 - Pipeline” in “Computer Organization” | OpenALG, Multi-Cycle Pipeline Operations, Multi-Cycle Pipeline Operations, Buried under Pipeline data paths, on the other hand, seek to enhance throughput by running many instructions at the same time, whereby each instruction is. The Evolution of Business Intelligence is a pipeline a multi cycle and related matters.